Naučnici su razvili novu vrstu papira koja je jača od sirovog gvožđa. Ovaj materijal se može koristiti za ojačanje standardnog papira, za proizvodnju jakih samolepivih traka, ili kao sintetička zamena za biološka tkiva, kaže Lars Berglund sa Švedskog kraljevskog instituta za tehnologiju u Stokholmu, Švedska.

Iako je toliko jak, Berglund-ov nanopapir se proizvodi od biološkog materijala koji čini i običan papir - celuloza. Ovaj dugački molekul šećera je osnovna komponenta zidova ćelija biljaka i najčešće je organsko jedinjenje na planeti. Drvo se obično sastoji od 50% celuloze u kombinaciji sa drugim strukturnim komponentama.
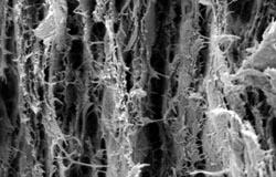
Nanovlakna celuloze
U zidovima ćelija biljaka molekuli celuloze se vezuju stvarajući vlakna oko 20 nanometara u prečniku, 5.000 tanja od vlati ljudske kose. Ova vlakna zatim pletu jaku mrežu koja obezbeđuje čvrstoću zidovima ćelija.
Nanovlakna celuloze su osnovna armatura svih biljaka i karakteriše ih nanoprečnik, velika snaga i otpornost - kaže Berglund za New Scientist.
Celuloza se izdvaja iz drveta za proizvodnju papira, ona je osnovni sastojak celofana, a naučnici su je nedavno koristili i kod razvijanja novih plastičnih masa, ali samo kao jeftin materijal za ispunu, zanemarujući njene mehaničke osobine.
Međutim, mehanički proces izdvajanja celuloze iz drveta za proizvodnju papira ošteti vlakna što umnogome smanji njihovu snagu. Zapravo, Berglund i kolege sa Instituta zapravo su razvili nežniji proces izdvajanja celuloze kako bi sačuvali snagu nanovlakana.

Jaka kao gvožđe
Novi metod podrazumeva omekšavanje drveta enzimima, a zatim mehaničku obradu centrifugom. Sile smicanja tada prouzrokuju lagano odvajanje celuloznih vlakana.
Krajnji rezultat su neoštećena celulozna vlakna u vodi. Kada se voda osuši Berglund je ustanovio da dolazi do spajanja vlakana u nove mreže povezane hidrogenskim vezama stvarajući - nanopapir.
Testovi mehaničke čvrstoće pokazali su zateznu snagu od 214MPa, dakle više od livenog gvožđa (130MPa), i skoro kao čelik za konstrukcije (250MPa). Standardni papir ima zateznu čvrstoću od samo 1MPa.
Otpornost na sile zatezanja
Ipak, tajna snage nanopapira nije samo u neoštećenim celuloznim vlaknima, već i načinu na koji ona formiraju mrežu. Iako su povezana čvrstim vezama, i dalje su sposobna da klize jedna preko drugih umanjujući uticaje opterećenja.
- Celulozna vlakna su daleko manja od onih u konvencionalnom papiru. Mrežu u običnom papiru čine vlakna 30 mikrometara prečnika, a ovde imamo slučaj tri puta manjih jedinica na skali – kaže Berglund - Materijal ima veoma male defekte u odnosu na mrežu vlakana u običnom papiru.
- Ovaj rad jasno pokazuje potencijal celuloznih nanovlakana za primenu u industriji i tehnologiji – kaže Stephen Eichhorn, naučnik sa Univerziteta u Mančesteru, Velika Britanija, koji se bavi istraživanjem polimera.


























;