U traganju za novim materijalima i postupcima kojima bi se brže ostvarile jeftinije konstrukcije došlo se do primene gipsanih i gips-kartonskih ploča za pregradne zidove i oblaganje umesto malterisanja.

Gipsane ploče za pregradne zidove izrađuju se u dimenzijama 66,6/50/7 cm i 66,6/50/10 cm. Dimenzije su podešene tako da tri ploče pokrivaju površinu jednog m². Ploče imaju sa dve strane žljebove a sa druge dva pera, koja se pri zidanju uklapaju tako da se dobije monolitni pregradni zid povezan "difiks" gipsanim lepkom.
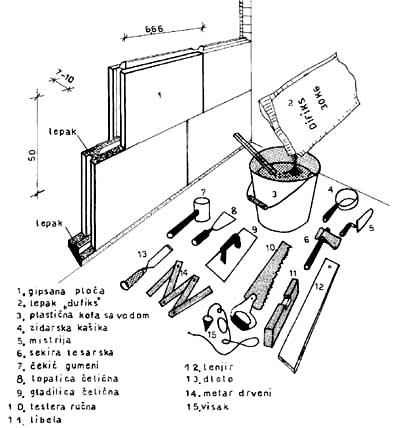
Da bi se pregradni zidovi od gipsanih ploča mogli pravilno izrađivali treba obezbediti sledeći alat: plastičnu kofu, gumeni čekić, čeličnu lopaticu, čeličnu gladilicu, ručnu testeru sa grubim ozubljenjem, tesarsku sekiru, dleto, metar, ravnjaču i libelu (sl. 4.3).

Sl. 4.3 Alat i materijal za pregrade od gipsa
Kao spojno sredstvo, kojim se gipsane ploče međusobno povezuju, koristi se difiks-lepak koji se sastoji od gipsa, sintetičkog veziva i dodataka koji povećavaju njegovu čvrstoću i lepljivost. Pravi se u plastičnim sudovima tako što se u čistu vodu dodaje difiks-lepak u prahu i meša se dok ne upije svu vodu a na površini ostane suv tanak sloj lepka. Ovako napravljena masa može se koristiti posle 5 min. Pravi se količina koju jedan radnik može da potroši za 30 do 40 minuta. Utrošak lepka je oko 2,5 kg po l m² zida. Difiks-lepak u prahu pakovan je u džakove za masu od 30 kg. Džakovi sa lepkom moraju se čuvati na suvom mestu. Obavezno se moraju koristiti rukavice prilikom pravljenja lepka.
S obzirom da se gipsani pregradni zidovi mogu postavljati preko završenih podova (izuzev plivajućih), treba uradili pravilnu vezu između zida i poda.
Ako se zid postavlja na obrađen betonski pod treba uraditi i hidro-izolacioni sloj preko koga se postavlja tervol-ploča, a po njoj sloj lepka na koji naleže prva ploča koja se postavlja pomoću libele (sl. 4.4).

Sl. 4.4 Veze pregrade sa zidom, podom i plafonom
Ako je betonski pod neravan, pod prvu ploču postave se drveni klinovi radi ostvarivanja horizontalnosti. Klinovi se vade kad lepak veže. Za vezu pregradnog i konstruktivnog zida mora se izdubiti žljeb, mora se ugraditi tervol-ploča kao elastična podloga.
Veza između pregradnog zida i plafona izvodi se na dva načina: za zidove do 6 m dužine i visine do 3,30 m veza sa plafonom ostvaruje se samo lepkom. Ako je dužina zida preko 6 m i visina preko 3,30 m onda se veza sa plafonom ostvaruje pomoću ugaonika od aluminijuma.
Za drugi red ploča postavi se pomoću lopatica sloj lepka. Element se namesti potiskivanjem i udaranjem gumenim čekićem. Elementi se prevezuju za najmanju debljinu ploče. Ploče se mogu skraćivati na potrebnu meru testerom sa krupnim zupcima. Prostor koji ostaje prazan između tavanice i zida može se popuniti lepkom - pomoću lopatice (sl. 4.5).

Sl. 4.5 Zidanje pregrade od gipsanih ploča
Ugrađivanje okvira za vrata u gipsane zidove
Otvori za vrata obrađuju se tako što se okvir ugrađuje sa delom za nadsvetlo. U tom slučaju nema ploča iznad vrata. Na sl. 4.6 prikazan je zid sa ugrađenim dovratnikom s ankerima pomoću kojih se ram prićvršćuje za zid.

Sl. 4.6 Ugrađivanje dovratnika sa nadsvetlom
Na sl. 4.7 prikazan je način ugrađivanja dovratnika u pregradni zid i konstrukciju kojom se obezbeđuje vertikalnost i stabilnost konstrukcije do vezivanja zida. U ovom slučaju u spojnice su ugrađene pocinkovane žice ø 3, a ploču iznad vrata nosi pocinkovani T profil.

Sl. 4.7 Ugrađivanje dovratnika
Pričvršćivanje teških predmeta za pregradne zidove od gipsa
Ovaj problem rešava se tako što se pričvrste pocinkovane sonde oslonjene na podložnu šinu. Šina prihvata horizontalnu silu čupanja sidra i prenosi je na suprotnu površinu zida. Na sidra su zavrnute konzole - nosači lavaboa (sl. 4.8) i bojlera (sl. 4.9). Za predmete manje težine konzole (nosači) su pričvršćene za gipsani zid pocinkovanim zavrtnjima i plastičnim tiplovima (sl. 4.10).

Sl. 4.8 Pričvršćivanje nosača lavaboa za gipsani zid

Sl. 4.9 Pričvršćivanje nosača bojlera za gipsani zid

Sl. 4.10 Pričvršćivanje nosača police za gipsani zid
Zid od gipsanih ploča u kombinaciji sa tervolom, koristi se za pojačanje termoizolacije spoljnih zidova kad se toplotna zaštita postavlja sa unutašnje strane prostorije (sl. 4.11). Toplotna izolacija se postavlja sa unutrašnje strane zida samo kad nema druge mogućnosti zbog pojave kondenzacije vodene pare na površini dodira konstruktivnog spoljnog zida i tervola. Kondenzaciona vodena para kvasi termoizolaciju i smanjuje toplotnu zaštitu. Zato treba štititi termo-izolacioni sloj parnom branom u vidu plastične folije sa unutrašnje strane. Parna brana, međutim, sprečava prirodno "disanje" zida.

Sl. 4.11 Pojačanje termoizolacije spoljnog zida tervolom i zidom od gipsanih ploča
Pregradni zid sa drvenom konstrukcijom i oblogom od gips-kartonskih ploča
Ovi zidovi se koriste za pregrađivanje prostora u stambenim i privrednim objektima. Konstrukciju sačinjavaju gredice dimenzija 48/75 mm i 48/100 mm, a obloga od gips-kartonskih ploča je debljine 12,5 mm. Ispuna zida je od mineralne vune. Ukupna debljina zida može da bude 100 i 125 mm. Zvučna izolacija sa ispunom iznosi 42 dB, a bez ispune 34 dB.
Provodnici električne struje postavljaju se unutar konstrukcije zida pre ugrađivanja ispune. Dovratnici i nosači teških predmeta su horizontalne gredice ukucane između stubova konstrukcija. Elementi zida su:
- drvene gredice 48/75 i 48/100,
- zvučna i termoizolacija od mineralne vune 50 mm, izolacione moći 42 dB,
- obloga zida gips kartonske ploče 2 x 12,5 ili 2 x 15 mm i vijci 4/35 ili 4/45.
Redosled izvođenja zidova
Prvo se postavljaju gredice na pod i plafon lepljenjem ili upucavanjem sa podlogom od filca ili bez njega. Posle se postavljaju vertikalne gredice na osovinskom razmaku 62,5 cm i pričvršćuju se na podne i plafonske gredice ekserima (sl. 4.12). Posle montaže konstrukcije i držača teških predmeta, sa jedne strane se postavljaju gips-kartonske ploče. Pričvršćuju se vijcima i ekserima 2,2/32 mm na razmaku 20 do 25 cm. Posle toga montiraju se kablovi i elektro-instalacije.

Sl. 4.12 Montaža pregradnog zia sa drvenom konstrukcijom
Mineralna vuna se ugrađuje po ugrađivanju kablova. Na kraju se postavlja gips-kartonska ploča i sa druge strane (sl. 4.13).
Spojnice i sastavi zida se obrađuju da bi se dobila ravna površina spremna za završnu obradu bojenjem i oblaganjem tapetima i pločicama.

Sl. 4.13 Montaža stubova, ispune i obloge
Na sl. 4.14 prikazanje zidni pano od drvenih gredica i gips-kartonskih ploča sa osnovnim kotama i sastavnim elementima.

Sl. 4.14 Pregradni zid od drveta i gips-kartonskih ploča
Na sl. 4.15 prikazani su važniji detalji veza unutar zida i sa konstrukcijama na koje on naleže. Detaljni crteži su dati za vezu sa konstruktivnim zidom, povezivanjem gips-kartonskih ploča sa srednjim stupcem, veza sa podom, plafonom i veza na uglu prilikom sučeljavanja dva zida.

Sl. 4.15 Osnovni detalji zidnih panoa
Obrada spojeva ploča
Da se ne bi stvarale prskotine na mestima spojeva, ta mesta treba posebno obraditi, tj. naneti ispunjače, smešu sličnu gipsanom lepku. Prvi sloj ispunjača postavlja se lopaticom, a potom se nalepi bandažna traka. Drugi sloj ispunjača nanosi se posle 20 min, a treći, završni, isto posle 20 min. Kada se osuši treći (završni) sloj, površinu treba izbrusiti brusnim papirom. Krojenje ploča i prosecanje raznih otvora za priključke na instalacije prikazano je na sl. 4.16 i 4.17.

Sl. 4.16 Obrada spojnica gips-kartonskih ploča

Sl. 4.17 Krojenje gips-kartonskih ploča






























;